Специальный профиль
СП, СВП - специальные профиля для шахтного машиностроения, производства крепления шахтных сводов и боковин рештаков.
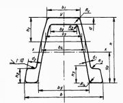
Профиль горячекатаный СВП для крепи горных выработок, разработанный в соответствии с требованиями ГОСТ 18662-83.
профиль СВП-27, который является результатом применения современных высоких технологий, наиболее подходящих к сложным условиям горно-геологических изысканий.
Спецпрофиль – это крепежный материал, обладающий высоким качеством удельной прочности. Это означает, что шахтная стойка имеет все характеристики, которые присущи для долговечных крепежных материалов, не поддающихся коррозии и гниению. Она не огнеопасна и поэтому считается безопасной конструкцией в шахтном деле. Профиль выдерживает большое давление и не разрушается под их давлением, то есть с успехом выдерживает заявленный срок эксплуатации.





